Início » Ensacadeira de Rosca – ER
Ensacadeira de Rosca
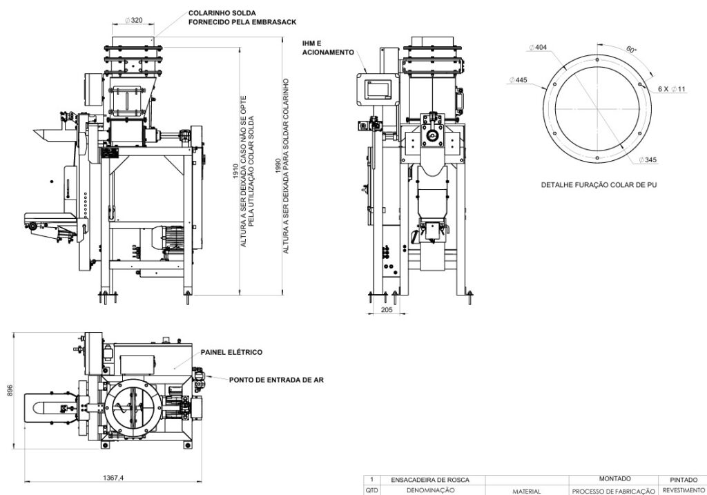
Ensacadeira de Rosca - ER
Equipamento empregado no ensaque de diversos produtos em sacarias do tipo Valvulado e Boca Aberta. O ensaque é realizado por condução do produto por Rosca dosadora através de um bico de dosagem, proporcionando alta produtividade, precisão de peso e otimização da mão de obra.
Diferenciais da Ensacadeira
Precisão de Pesagem
Produtividade
Fácil Operação
Suporte Técnico
(Presencial / Remoto)
Baixo Custo de
Manutenção
Prazo de
Entrega
Especificações Técnicas
Aplicações:
- Pó
- Farelo
- Pastoso
Características Técnicas:
- Tipo de Ensaque: Rosca dosadora
- Tipo de Embalagem: Sacaria Valvulada e Boca Aberta
- Capacidade: até 60 kg
- Tipo de material: Aço carbono ou contados com produto em inox (opcional).
Opcionais:
- Esteiras de saída
- Esteira Check Weigher
- Impressora para etiquetas
- Batedor/ Pré Rosca
- Bico Boca Aberta
- Seladora de sacarias
Downloads:
Desenho técnico
FAQ - Perguntas Frequentes
Devido a característica do transporte do produto através de uma Rosca, este equipamento utiliza múltiplas velocidades de dosagem controladas por um inversor de frequência, garantindo uma dosagem precisa e ajustável para cada tipo de produto. Devido as características técnicas de autocorreção do peso ensacado em tempo real, este equipamento realiza um ajuste fino a cada ensaque realizado garantindo a excelência na precisão do peso ensacado. É recomendada para produtos em pó, farelados ou pastosos.
Normalmente são utilizadas as sacarias de válvula de topo que são compostas por tipos de materiais tais como: Ráfia, Papel, Plástico, entre outros.
Sim. Os equipamentos Embrasack possibilitam a comunicação com os principais protocolos de comunicação industrial, tais como: Ethernet IP, Modbus TCP, MQTT, entre outros. Consulte-nos para maiores informações.
As Ensacadeiras de Rosca são equipamentos robustos e de alta durabilidade, porém simples de manuseio e necessitam de conhecimento básico para a sua manutenção que são transmitidos pelos técnicos da Embrasack durante o Startup dos equipamentos ou em caso de necessidade pelo suporte técnico realizado remotamente (telefone / whatsapp) ou localmente de acordo com a necessidade do cliente.